
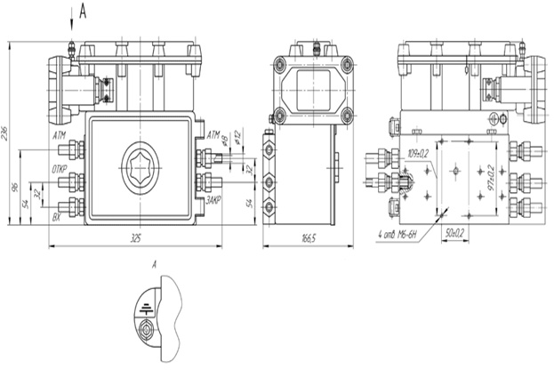
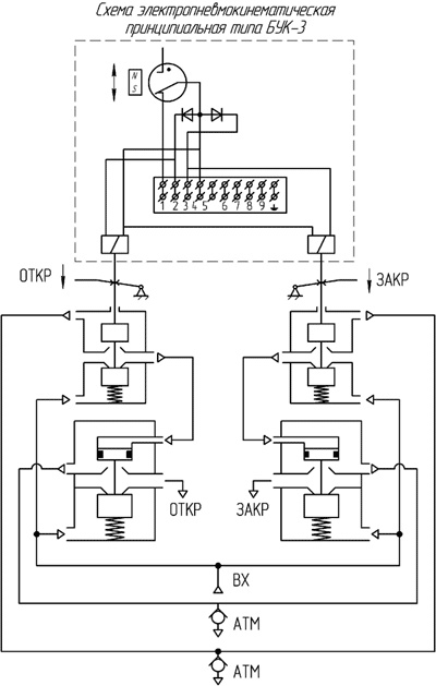
Блок управления кранами БУК-3 предназначен для дистанционного или местного (ручного) управления пневматическими или пневмогидравлическими приводами двухпозиционной трубопроводной арматуры (в частности шаровыми кранами Ду от 250 до 1400 мм), затворами дисковыми и другими поворотными устройствами. Блоки обладают возможностью совместной работы с устройствами сигнализации о конечных положениях запорного органа крана «открыто» или «закрыто».
Применение:
Промысловые и магистральные газопроводы, системы обустройства компрессорных и газораспределительных станций, пункты сбора и подготовки газа, хранилища газа. Взрывоопасные зоны, согласно маркировке блока IExdIIBT4 по ГОСТ 12.2.020-76. Условия, соответствующие маркировке блока IP66 по ГОСТ 14254-96.
Климатические условия:
Температура от -55 до +50ºС, относительная влажность 100% при температуре 25ºС (исполнение Д3 по ГОСТ 12997-84, что соответствует исполнению УХЛ категории 1 по ГОСТ 15150-69).
Технические характеристики:
Рабочая среда: – неагрессивный природный газ или сжатый воздух, очищенные и осушенные.
Давление рабочей среды МПа (кгс/см2):
– минимальное – 0,6 (6,0);
– максимальное – 16,0 (160,0).
Потребляемая электрическая мощность: – не более 20 Вт.
Режим работы электромагнита: – продолжительный.
Управляющий сигнал: – дистанционный – электрический постоянного тока напряжением 24, 110, 220 В.
Выходной сигнал: – пневматический дискретный, соответствующий давлению рабочей среды.
Масса: – не более 9,8 кг.


Купить или заказать "Блок управления кранами БУК-3", а также узнать оптовые цены можно через форму заказа или по тел.: (067)579-75-35. Доставка по всем городам Украины ;
Еще не вступили в наш телеграм? Тогда ждем Вас

