
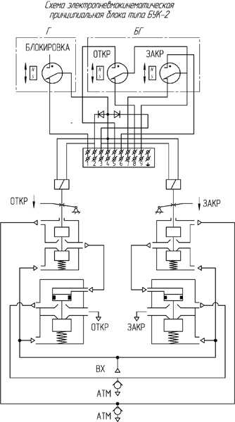
Блок управления кранами БУК-2 предназначен для дистанционного или местного (ручного) управления пневматическими или пневмогидравлическими приводами двухпозиционной трубопроводной арматуры (в частности шаровыми кранами Ду от 250 до 1400 мм), затворами дисковыми и другими поворотными устройствами. Блок обеспечивает сигнализацию конечных положений вала привода и автоматический сброс рабочей среды под давлением из рабочих полостей привода. Блок предназначен для непосредственной установки на вал привода.
Применение:
Промысловые и магистральные газопроводы, системы обустройства компрессорных и газораспределительных станций, пункты сбора и подготовки газа, хранилища газа.
Взрывоопасные зоны, согласно маркировке блока IExdIIBT4 по ГОСТ 12.2.020-76.
Условия, соответствующие маркировке блока IP66 по ГОСТ 14254-96.
Климатические условия:
Температура от -55 до +50ºС, относительная влажность 100% при температуре 25ºС (исполнение Д3 по ГОСТ 12997-84, что соответствует исполнению УХЛ категории 1 по ГОСТ 15150-69).
Технические характеристики:
Рабочая среда: – неагрессивный природный газ или сжатый воздух, очищенные и осушенные.
Давление рабочей среды МПа (кгс/см2):
– минимальное – 0,6 (6,0);
– максимальное – 10,0 (100,0).
Потребляемая электрическая мощность: - не более 20 Вт.
Режим работы электромагнита: – продолжительный.
Управляющий сигнал: – дистанционный - электрический постоянного тока напряжением 24, 110, 220 В, (ручной (местный), усилием не более 30 Н (3 кгс).
Выходной сигнал: – пневматический дискретный, соответствующий давлению рабочей среды.
Условный проход: – 8 мм.
Индикация давлений рабочей среды на обоих выходах: - манометрами.
Масса: - не более 13,1 кг.


Купить или заказать "Блок управления кранами БУК-2", а также узнать оптовые цены можно через форму заказа или по тел.: (067)579-75-35. Доставка по всем городам Украины ;
Еще не вступили в наш телеграм? Тогда ждем Вас

