Блок БРУ-42, БРУ-32, БРУ-22 (Макс21)

Назначение
Блок ручного управления БРУ-42, БРУ-32, БРУ-22 рассчитан на применение в автоматизированных системах управления технологическими процессами (АСУТП) и предназначен для переключения цепей управления исполнительными устройствами, индикации положения цепей.
Блок ручного управления соответствует ТУ 4218-004-54079067-2004.
По устойчивости к воздействию климатических факторов внешней среды блоки имеют следующие исполнения: УХЛ 4.2 и О4.1.
Блоки предназначены для эксплуатации в условиях, оговоренных в таблице ниже:
|
Условия эксплуатации пускателя |
Исполнения УХЛ 4.2 |
|
|
УХЛ 4.2 |
O4.1 |
|
|
Температура, К (°С) |
от 278 К до 323 К (от плюс 5 до плюс 50) |
от 278 К до 323 К (от плюс 5 до плюс 50) |
|
Относительная влажность, % |
от 30 до 80 |
от 30 до 80 |
|
Вибрация, частота, Hz |
до 25 |
до 25 |
|
Магнитные поля постоянные или переменные, 50Hz, A/m |
до 400 |
до 400 |
Технические данные и характеристики
- Блоки обладают следующими функциональными возможностями:
|
Условное обозначение |
Выполняемые функции |
|
БРУ-22 |
- ручное или дистанционное переключение цепей управления на два положения; |
|
БРУ-32 |
- ручное переключение с автоматического режима управления на ручной и обратно; |
|
БРУ-42 |
- ручное или дистанционное переключение с автоматического режима управления на ручной и обратно; |
- Коммутационная способность групп переключающих контактов реле и кнопок управления при активной нагрузке:
- постоянный ток до 0,25А при напряжении до 34V;
- переменный ток до 0,25А при напряжении до 220V. - Входные сигналы стрелочного индикатора блоков:
|
Условное обозначение |
Климатическое исполнение |
Входной сигнал стрелочного индикатора |
Пределы изменения |
Входное сопротивление |
|
БРУ-32 -00; -02; -06 |
УХЛ, экспортное |
Токовый |
0-5 mA |
≤500Ω |
|
БРУ-32 -01; -07 |
O |
|||
|
БРУ-42 -00; -02; -06 |
УХЛ, экспортное |
|||
|
БРУ-42 -01; -07 |
O |
|||
|
БРУ-32 -03; -05; -08 |
УХЛ, экспортное |
Токовый |
4-20 mA |
≤200Ω |
|
БРУ-32 -04; -09 |
O |
|||
|
БРУ-42 -03; -05; -08 |
УХЛ, экспортное |
|||
|
БРУ-42 -04; -09 |
O |
- Электрическое питание блока осуществляется переменным однофазным током с напряжением 24 V при отклонении от минус 3,6 до плюс 2,4 V и частотой 50 или 60 Hz.
- Электрическое питание блока возможно от пускателей, имеющих источники двухполупериодного выпрямленного напряжения со средним значением 24 V при токе 100мА.
- Мощность, потребляемая блоком, не превышает 2,5 V.A.
- Параметры питания каждого из индикаторов - напряжение постоянного тока 24 V , ток не более 10мА.
- Масса блоков:
- БРУ-22: 0,5 кг
- БРУ-32: 0,7 кг
- БРУ-42: 0,8 кг. - Средний срок службы до списания - 10 лет.
Состав, устройство и работа изделия
Габаритные и установочные размеры приведены в приложениях:
Блоки конструктивно состоят из литого корпуса, защищенного кожухом, и рассчитаны на щитовой утопленный монтаж, на вертикальной плоскости. Крепление блока к щиту осуществляется винтами за панель корпуса. Разметки для крепления приведены в приложениях А, Б, В.
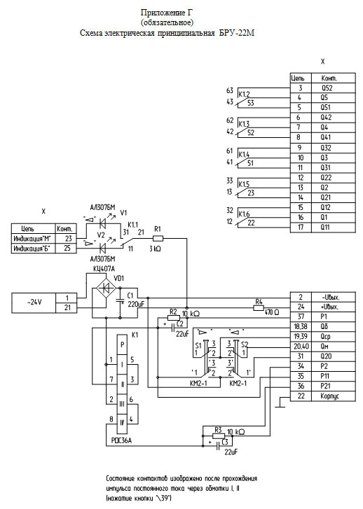
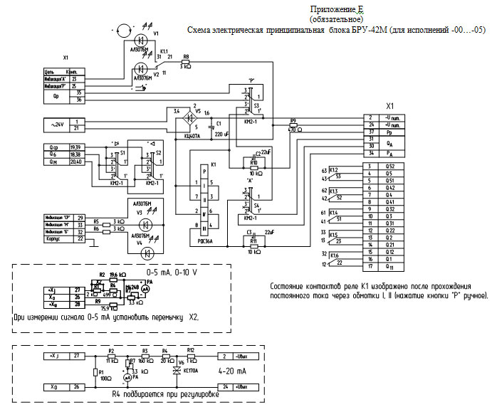
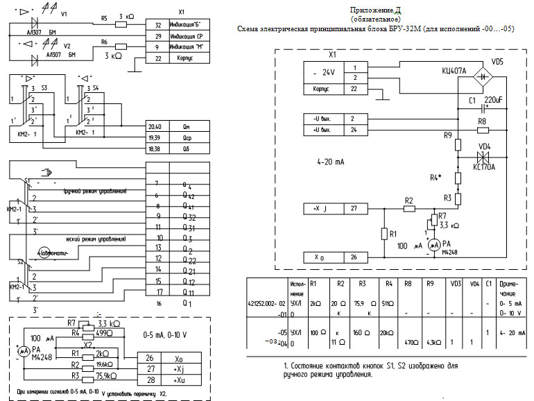
Схемы электрические принципиальные приведены в приложениях:
|
|
|
Блоки содержат реле с магнитной блокировкой, которое выполняет функции переключателя на два положения. Переключение реле происходит при прохождении импульса постоянного тока через соответствующую обмотку. Повторение импульса тока в той же обмотке, а также выключение питания состояния контактов реле не изменяют. Для перемены состояния контактов необходимо выключить питание одной обмотки и пропустить импульс тока по другой обмотке.
Напряжение питания, снимаемое с выпрямительного моста, сглаживается конденсатором, используется для переключения реле и питания индикаторов единичных.
Функциональные возможности блока БРУ-42
Кнопка
позволяет переключать контакты реле в положение, изображенное на схеме (режим управления "Ручной"), кнопка
- в противоположное состояние (режим управления - "Автоматический").
Группа контактов кнопок
и
служит для управления исполнительными устройствами.
Вторые группы контактов кнопок
и
выведены на выходную колодку и служат для коммутации внешних цепей.
Индикаторы единичные
и
через неподвижный контакт группы К1.1 реле К1 попеременно связаны с плюсом внутреннего источника питания, служат для индикации режимов управления "Ручной" и "Автоматический".
Индикаторы единичные
и
служат для индикации импульсных выходных сигналов регулирующих устройств.
Купить или заказать "Блок БРУ-42, БРУ-32, БРУ-22 (Макс21)", а также узнать оптовые цены можно через форму заказа или по тел.: (067)579-75-35. Доставка по всем городам Украины ;
Еще не вступили в наш телеграм? Тогда ждем Вас







