Реле потока РПИ: РПИ-15, РПИ-20, РПИ-25, РПИ-32, РПИ-40, РПИ-50, РПИ-80, РПИ-100

Реле потока РПИ-15, РПИ-20, РПИ-25, РПИ-32, РПИ-40, РПИ-50, РПИ-80, РПИ-100 предназначены для сигнализации снижения расхода жидкости, в т.ч. в условиях АЭС.
Технические характеристики реле потока РПИ
| Характеристики | Значения |
| Диаметры условного прохода, мм | 15; 20; 25; 32; 40; 50; 80; 100 |
| Параметры контролируемой жидкости: | |
| - температура, °С | от 0 до +100 |
| - вязкость, м2/с, не более | 8·10-5 |
| - давление, кгс/см2, не более | 10 |
| Нагрузка на контакты: | |
| - напряжение, В, не более | 250 |
| - мощность, В·А, не более | 30 |
| Температура окружающей среды, °С: | от -40 до +60 |
| Относительная влажность, %, не более | 80 |
| Габаритные размеры, мм | 82x257 |
| Масса, кг, не более | 1,5 |
| Исполнения по значениям уставки | 0; I; II; III; IV |
| Изготавливаются по | ТУ 25-02.102175-79 |
| Сертификат соответствия | № РОСС RU.АЯ46.Н44007 |
| Разрешение Ростехнадзора | № РРС 00-25115 |
| Код ОКП | 42 1873 |
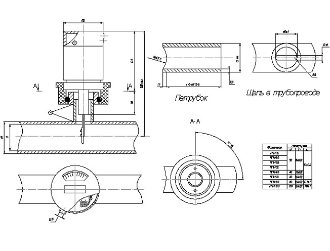
Габаритные и присоединительные размеры реле потока РПИ

Купить или заказать "Реле потока РПИ: РПИ-15, РПИ-20, РПИ-25, РПИ-32, РПИ-40, РПИ-50, РПИ-80, РПИ-100", а также узнать оптовые цены можно через форму заказа или по тел.: (067)579-75-35. Доставка по всем городам Украины ;
Еще не вступили в наш телеграм? Тогда ждем Вас
Купить "Реле потока РПИ: РПИ-15, РПИ-20, РПИ-25, РПИ-32, РПИ-40, РПИ-50, РПИ-80, РПИ-100" с доставкой по всей Украине: Харьков, Киев, Донецк, Днепропетровск, Луганск, Запорожье, Львов, Одесса, Симферополь, Винница, Житомир, Ивано-франковск, Кировоград, Луцк, Николаев, Полтава, Ровно, Севастополь, Сумы, Тернополь, Ужгород, Херсон, Черкассы, Чернигов, Черновцы, Хмельницкий, Александрия, Алчевск, Артемовск, Белая Церковь, Бердянск, Васильевка, Владимир-Волынский, Днепродзержинск, Евпатория, Желтые Воды, Изюм, Каменец-Подольский, Керч, Ковель, Конотоп, Коростень, Кременчуг, Кривой Рог, Лубны, Мариуполь, Мелитополь, Никополь, Новая Каховка, Первомайск, Северодонецк, Славянск, Стрый, Умань, Феодосия, Шостка, Ялта, Белгород-Днестровский, Бердичев, Боярка, Бровары, Васильков, Вознесенск, Горловка, Измаил, Ильичевск, Краматорск, Миргород, Мукачево, Нежин, Нововолынск, Новгород-Волынский, Обухов, Павлоград, Пирятин, Прилуки, Верхнеднепровск, Макеевка, Южноукраинск, Красноармейск, Хуст.

