Пускатель ПБР-2М

Назначение
Пускатель бесконтактный реверсивный ПБР-2М предназначен для бесконтактного управления электрическими исполнительными механизмами, в приводе которых используются однофазные конденсаторные электродвигатели.
Пускатель имеет следующие модификации:
- ПБР-2М.01 - для механизмов, имеющих электромагнитный тормоз;
- ПБР-2М.02 - для механизмов, имеющих механический тормоз.
Область применения: системы автоматического регулирования технологическими процессами в энергетической и других отраслях промышленности.
Пускатель соответствует требованиям ТУ 4218-007-54079067-2005.
Пускатель предназначен для эксплуатации в условиях, оговоренных в таблице 1
Таблица 1
|
Условия эксплуатации пускателя |
Исполнения УХЛ 4.2 |
|
Температура, °С |
От 5 до 50 |
|
Относительная влажность, % |
От 30 до 80 |
|
- при температуре, °С |
35 |
|
- атмосферное давление, мм рт.ст. |
от 630 до 800 |
|
Вибрация: частота, Hz |
до 25 |
|
Магнитные поля постоянные или переменные 50Hz, напряженность, A/m |
до 400 |
Технические данные пускателя бесконтактного реверсивного ПБР-2М
- Электрическое питание пускателя - однофазная сеть переменного тока с номинальным напряжением 220V с частотой 50Hz. Допустимое отклонение напряжения питания от номинального от -15% до +10%. Несимметрия трехфазной системы составляет не более 5%.
- Виды входных сигналов, пределы их изменения, номера входных контактов приведены в таблице 2
Таблица 2
|
Номера контактов |
Входные сигналы |
Величина напряжения на контактах |
|
|
включено |
отключено |
||
|
8-7 |
Среднее значение двухполупериодного выпрямленного синусоидального напряжения |
(24±6) V |
от 0 до 2 V |
|
7-10 |
Состояние контактных или бесконтактных ключей |
от 0 до 3 V |
(24±4) V |
Примечание - амплитудное напряжение на ключах не более 50V, коммутируемый ток входной цепи - не более 50mA
- Источник питания цепей управления допускает подключение внешней нагрузки с сопротивлением до 240 Ω между контактами 8 и 10 пускателя. Форма напряжения источника, при сопротивлении нагрузки 240 Ω - двухполупериодное выпрямленное со средним значением (24±6)V при номинальном напряжении.
- Входное сопротивление пускателя 750 Ω.
- Максимально коммутируемый ток - 4А.
- Динамические характеристики пускателя:
- быстродействие (время запаздывания коммутаций выходных ключей при подаче или снятии управляющего сигнала) не более 25ms;
- разница между длительностями входного и выходного сигналов не более 20ms.
- Пускатель допускает работу в повторно-кратковременном реверсивном режиме с частотой включений до 630 в час при ПВ 25%.
- Мощность, потребляемая пускателем при отсутствии сигнала управления, не более 7W.
- Норма средней наработки на отказ с учетом технического обслуживания 100 000 часов.
- Средний срок службы пускателя - 10 лет.
- Масса пускателя не более 2 кг.
Габаритные и установочные размеры пускателя ПБР-2М
Внимание!
1. Длина болта А (без головки) должна быть не более 14 мм.
2. Отверстия ∅22 в пластмассовом корпусе отсутствуют.
Состав и устройство
Пускатель состоит из платы кожуха и передней панели. На передней панели расположены две клеммные колодки для подключения пускателя к внешним цепям. Клеммные колодки закрываются крышками. На плате устанавливаются элементы схемы пускателя. Плата вставляется в кожух и закрепляется двумя винтами.
Пускатель рассчитан на установку на вертикальной или горизонтальной плоскости. Положение в пространстве - любое.
Крепление пускателя осуществляется двумя болтами М6, которые установлены на задней стенке кожуха. Варианты установки.
Указание мер безопасности
Работы по монтажу и эксплуатации пускателя разрешается выполнять лицам, имеющим допуск к эксплуатации электроустановок напряжением до 1000V и изучившим руководство пользования.
Все работы по монтажу пускателя производить при полностью снятом напряжении питания. При этом на распределительном щите, питающем пускатель, необходимо вывесить табличку с надписью <НЕ ВКЛЮЧАТЬ РАБОТАЮТ ЛЮДИ>.
Порядок установки и подготовки к работе пускателя ПБР-2М
При распаковке пускателя обратите внимание на внешний вид и убедитесь в отсутствии механических повреждений корпуса, клеммной колодки. При наличии механических повреждений корпуса (вмятин, трещин, следов коррозии и других дефектов) пускатель следует считать неисправным. Дальнейшей проверке и включению в сеть такой пускатель не подлежит.
При внесении пускателя с мороза в теплое помещение оставьте его в заводской упаковке в помещении на 8-10 часов для того, чтобы пускатель постепенно принял температуру окружающего воздуха.
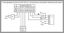
Перед установкой на объект пускатель необходимо проверить на работоспособность.
Проверку работоспособности пускателя производить по схеме приложения Б. Положение переключателей, указанное на схеме, принять за исходные.
Включить автомат защиты F. Перевести переключатель S1 в положение 1. Выходной орган механизма должен прийти в движение. Перевести переключатель S1 положение 3. Выходной орган механизма должен изменить направление вращения. Обесточить пускатель.
При монтаже цепи питания пускателя необходимо включить через автомат защиты АК50Б-3М с током уставки срабатывания соответствующим току электродвигателя. Подключение пускателя на объекте производить по приложению В.
Если по условиям эксплуатации возможны короткие замыкания цепей подключенных к выходу пускателя, то необходимо в цепи питания пускателя дополнительно установить плавкие предохранители, например ПК45-5А.
Падение напряжения в линии связи между пускателем и исполнительным механизмом не должно превышать 2V.
После установки пускателя на объект необходимо проверить правильность монтажа цепей, подключенных к усилителю, соответствие тока уставки срабатывания автомата защиты мощности подключенного электродвигателя.
Убедиться в том, что пускатель работает при управлении от соответствующего регулятора и блока ручного управления.
О включении пускателя в работу внести запись в паспорт пускателя.
Порядок работы
Пускатель предназначен для работы в системах автоматического регулирования технологических процессов и в процессе работы взаимодействие с оператором не требует.
При необходимости оператор может управлять пускателем в <ручном> режиме через блок ручного управления.
Техническое обслуживание
Специального технического обслуживания пускатель не требует. Для обеспечения нормальной работы рекомендуется выполнять в установленные сроки следующие мероприятия:
- ежедневно проверять правильность действия в составе систем автоматического регулирования по показаниям контрольно-измерительных приборов, фиксирующих протекание технологического процесса.
- ежемесячно при выключенном напряжении питания проверять надежность внешних электрических соединений и очищать поверхность пускателя от загрязнений.
- в период капитального ремонта основного оборудования и/или раз в два года и после ремонта пускателя проводить проверку исходя из руководства эксплуатации.
Правила хранения и транспортировки
Пускатель должен храниться в сухом отапливаемом помещении при температуре окружающего воздуха от плюс 5 до 40°С и относительной влажности до 80% при 25°С.
Воздух в помещении не должен содержать пыль или примеси агрессивных паров и газов.
Допускается транспортировать пускатель в заводской упаковке любым видом транспорта с защитой от дождя и снега на любое расстояние без ограничения скорости при температуре окружающего воздуха от минус 50 до плюс 50°С.
Транспортирование самолетом должно производиться в отапливаемых герметизированных отсеках.
Купить или заказать "Пускатель ПБР-2М", а также узнать оптовые цены можно через форму заказа или по тел.: (067)579-75-35. Доставка по всем городам Украины ;
Еще не вступили в наш телеграм? Тогда ждем Вас

