Блок реле утечки РУ-127/220 МК

Блок реле утечки РУ-127/220 МК предназначен для защиты людей от поражения электрическим током и других опасных последствий утечек тока на землю в электрических сетях трехфазного переменного тока частотой 50 Гц напряжением 127 и 220 В с изолированной нейтралью трансформатора. Блок защиты встраивается в распределительное устройство шахтных источников питания типа ИПШ, применяемых в подземных выработках и на поверхности угольных и горнорудных предприятий.
Условия эксплуатации:
Климатическое исполнение блоков — УХЛ5 по ГОСТ 15150-69.
Степень защиты корпуса блока IP30.
Блоки предназначены для эксплуатации в следующих условиях:
- температура окружающего воздуха от -10 до +65 °С;
- относительная влажность окружающей среды до 100% при температуре +35 °С;
- вибрационные нагрузки в местах установки блока не должны быть выше первой степени жёсткости по ГОСТ 16926.2-90. Воздействие механических ВВФ по ГОСТ 17516.1-90 для группы механического исполнения М1;
- высота над уровнем моря не более 1000 м;
- рабочее положение в пространстве — изменение угла наклона в любую сторону относительно вертикальной оси не более 90;
- вид обслуживания — периодический контроль исправности блока реле утечки.
Технические характеристики
|
Номинальное напряжение питания блока, В |
15 |
|
Диапазон изменения рабочего напряжения, от номинального |
от 85% до 110% |
|
Номинальное напряжение защищаемой трехфазной сети переменного тока частотой 50 Гц, В |
127 / 220
|
|
Сопротивление срабатывания при симметричной трехфазной утечке, кОм на фазу, не менее: при напряжении сети 127 В при напряжении сети 220 В |
10±2 24±4 |
|
Сопротивление срабатывания при однофазной утечке, кОм, не более: при напряжении сети 127 В при напряжении сети 220 В |
3,3±0,8 9±1,2 |
|
Сопротивление срабатывания в режиме предупредительного контроля изоляции, кОм, не менее |
сопротивления срабатывания аппарата в режиме реле утечки |
|
Изменение емкости сети, мкФ на фазу |
от 0 до 1,0 |
|
Величина длительного тока утечки при изменении емкости сети от 0 до 1,0 мкФ на фазу, А, не более |
0,025
|
|
Собственное время срабатывания блока реле утечки при сопротивлении однофазной утечки 1,0 кОм и емкости сети от 0 до 1,0 мкФ на фазу, с, не более |
0,1
|
|
Сопротивление автоматической деблокировки в режиме предупредительного контроля и блокировки, от сопротивления срабатывания, %, не более |
не более 150
|
|
Средний срок службы до списания, лет, не менее |
5 |
|
Потребляемая мощность, Вт, не более |
5 |
|
Габариты аппарата защиты, мм |
125х120х48 |
|
Масса аппарата защиты кг, не более |
0,73 |
Устройство и работа
Реле утечки выполнено в виде блока, устанавливаемого во взрывозащищенные корпуса шахтных источников питания типа ИПШ. Реле утечки выполнено двухканальным на напряжения 127 и 220 В. Каждый канал селективно воздействует на цепи управления контакторов источника питания.
Конструктивно блок выполнен (см. рисунок 2) в виде пластмассового корпуса, на основании которого крепятся печатные платы с элементами и штепсельный разъем, для подключения блока к источнику питания.

Рисунок 2 — Габаритные и установочные размеры блока реле утечки 127/220
Электрическая схема реле утечки обеспечивает:
- Предварительный контроль сопротивления изоляции двух присоединений и подачу напряжения на контролируемые присоединения;
- непрерывный контроль сопротивления изоляции двух присоединений под рабочим напряжением 127 и 220В и защиту от токов утечек на землю;
- селективную световую сигнализацию о срабатывании исполнительных реле при снижении сопротивления изоляции контролируемой цепи ниже допустимого значения.
Порядок подключения
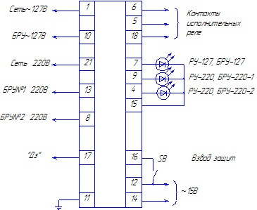
Блок подключается к схеме аппарата с помощью вилки соединителя Х1 (см. рисунок 3). "ДЗ" (дополнительный заземлитель), выводится на дополнительный заземлитель, установленный не менее чем в 5 метрах от основного заземлителя. Заземляющий зажим корпуса источника питания присоединять к дополнительному заземлителю запрещается!

Рисунок 3 — Схема внешних соединений реле утечки 127/220
Комплект поставки :
- Блок реле утечки РУ-127/220 МК — 1 шт.
- Гнездо соединительное — 1 шт.
- Руководство по эксплуатации — 1 шт.
Гарантии изготовителя
Предприятие-изготовитель гарантирует соответствие аппарата требованиям технических условий, при соблюдении потребителем условий эксплуатации, транспортирования и хранения, установленных техническими условиями.
Срок гарантии устанавливается 1 год со дня ввода в эксплуатацию, но не более 1,5 лет со дня отгрузки потребителю.
По истечении гарантийного срока, установленного предприятием-изготовителем и в дальнейшем не реже 1 раза в 2 года, аппарат должен быть выдан на поверхность для осуществления его полной проверки.
Купить или заказать "Блок реле утечки РУ-127/220 МК", а также узнать оптовые цены можно через форму заказа или по тел.: (067)579-75-35. Доставка по всем городам Украины ;
Еще не вступили в наш телеграм? Тогда ждем Вас

