
Фильтры-регуляторы для подготовки воздуха в пневмосетях серии WU поставляются с присоединительными резьбами G1/4 - G1"манометром, кронштейном и пластиковым защитным корпусом на стакане сбора конденсата.. Данное оборудование используется для отделения твердых частиц и капельной влаги от воздуха в пневматической системе, а также регулирования давления на выходе в диапазоне от 0 до 8 Бар при максимальном входном давлении до 10 Бар и состоит из фильтра и регулятора, собранных в одном корпусе. Фильтр оснащен полуавтоматическим сбросом конденсата, редуктор клапаном сброса избыточного давления со стороны потребителя. Использование фильтра-регулятора позволяет экономить пространство, также данный элемент стоит дешевле чем сборка из фильтра и регулятора.
Технические характеристики фильтра-регулятора серии WU
| Рабочая среда | Воздух | |||||||
| Конструкция | Поршневой регулятор и фильтр циклонного типа | |||||||
| Материалы | Алюминий, технополимер, нейлон, NBR | |||||||
| Присоединение | G1/4” - G1” | |||||||
| Крепление | Вертикальное крепление | |||||||
| Максимальное входное давление | 10 Бар | |||||||
| Диапазон регулирования давления | 1.5~8.5 Бар | |||||||
| Тонкость фильтрации | 25 мкм | |||||||
| Диапазон рабочих температур | -10~60 °С | |||||||
| Слив конденсата | Полуавтоматический и автоматический | |||||||
| Модель | WU20 | WU40 |
WU60 | |||||
| Присоединительная резьба | G1/4” | G1/4” |
G3/8” | G1/2” | G3/4” | G1” | ||
| Присоединительная резьба для манометра | G1/4” | |||||||
| Номинальный расход, Нл/мин | 1850 | 2050 |
2500 |
7900 | 8100 | |||
| Наличие защитного стакана | - |
+ | + |
+ |
+ | + | ||
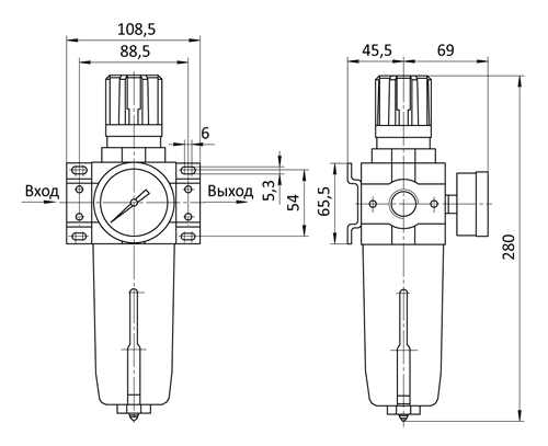
Габаритные и присоединительные размеры фильтра-регулятора серии WU
SA-WU20-08

SA-WU40-08, SA-WU40-10, SA-WU40-15

SA-WU60-20, SA-WU60-25


Купить или заказать "Фильтры-регуляторы серии SA-WU", а также узнать оптовые цены можно через форму заказа или по тел.: (067)579-75-35. Доставка по всем городам Украины ;
Еще не вступили в наш телеграм? Тогда ждем Вас

