
Общие сведения
Регуляторы давления воздуха в пневмосистемах серии RN поставляются с присоединительными размерами G1/4”~G1”, манометром и кронштейном. Могут использоваться для регулирования давления на выходе в диапазоне от 0 до 10 Бар при максимальном входном давлении до 15 Бар. Редукторы данной серии снабжены клапаном сброса избыточного давления со стороны потребителя. Основными преимуществами данной серии являются: увеличенный расход воздуха, надежная система сборки в группы, современный дизайн.
Технические характеристики регуляторов давления серии RN
| Рабочая среда | Воздух | |||||
| Конструкция | Мембранный регулятор со сбросом избыточного давления | |||||
| Материалы | Алюминий, технополимер, нейлон, NBR, POM | |||||
| Присоединение | M5~G1” | |||||
| Крепление | Любое положение | |||||
| Максимальное входное давление | 10 Бар | |||||
| Диапазон регулирования давления | 1.5~8.5 Бар | |||||
| Диапазон рабочих температур | -10~60 °С | |||||
| Модель | RN10 | RN20 | RN40 | RN60 | ||
| Присоединительная резьба | M5-G1/8” | G1/8”- G1/4”- G3/8” | G3/8”- G1/2”- G3/4” | G3/4”-G1” | ||
| Присоединительная резьба для манометра | M5 | G1/8” | G1/4” | |||
| Номинальный расход, Нл/мин | 500 | 1700 | 3500 |
11500 | ||
Габаритные и присоединительные размеры регуляторов давления серии RN
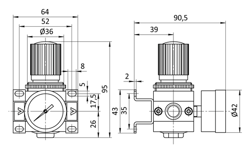
SA-RN10-M5, SA-RN10-06

SA-RN20-06, SA-RN20-08, SA-RN20-10

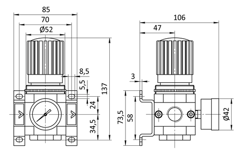
SA-RN40-10, SA-RN40-15, SA-RN40-20

SA-RN60-20, SA-RN60-25

Купить или заказать "Регуляторы давления воздуха серии SA-RN", а также узнать оптовые цены можно через форму заказа или по тел.: (067)579-75-35. Доставка по всем городам Украины ;
Еще не вступили в наш телеграм? Тогда ждем Вас

