
Общие сведения
Фильтры воздуха пневматических систем серии FU поставляются с присоединительными размерами G1/4"~G1". Фильтры серии FU относятся к фильтрам циклонного типа и используются для очистки воздуха пневматических систем от капельной влаги и масла при давлении до 8 Бар. Другими словами они отделяют от воздуха уже сконденсировавшиеся пары влаги, поэтому их необходимо устанавливать около устройства потребляющего сжатый воздух, а не около компрессора, после которого воздух еще горячий и влага в нем еще не успела сконденсироваться. Тонкость фильтрации составляет 25мкм. Нами поставляется две основные модификации фильтров с полуавтоматическим и автоматическим сбросом конденсата. При полуавтоматическом сбросе, влага из колбы фильтра сбрасывается только после падения давления на входе в фильтр, те при отключении давления. В фильтре с автоматическим сбросом конденсата, слив воды происходит при достижении заданного уровня жидкости в колбе в независимости от наличия давления воздуха.
Используйте фильтры в левой части экрана для отбора фильтров серии FU по присоединительной резьбе, расходу воздуха и типу слива конденсата. Результаты отбора находятся внизу данной страницы.
Правильно выбранный фильтр обеспечивает:
- Требуемую тонкость отчистки.
- Требуемый расход воздуха через фильтр.
Тонкость отчистки фильтров серии FU составляет 25 мкм, что достаточно для использования их для очистки воздуха перед всеми основными пневматическими элементами: распределителями, цилиндрами, пневматическим инструментом.
Для правильного выбора фильтра Вам необходимо знать какой расход воздуха будет через него проходить.
На графике приведенном ниже показано падение давления воздуха на фильтре в зависимости от присоединительной резьбы и расхода воздуха через фильтр.

Одна из часто встречающихся ошибок при выборе фильтров циклонного типа, выбор большего типоразмера фильтра, чем это необходимо. В таком случае эффективности очистки воздуха падает из-за низкой скорости воздуха в фильтре.
Для качественной очистки воздуха падение давления на фильтре должно находится в пределах 0,1 – 0,3 бар. Это связано со средней скоростью движения воздуха в фильтре. Если падение давления на фильтре при планируемом расходе оказалось меньше 0,1 бар, то скорость воздуха в нем будет невысока, следовательно, центробежная сила, действующая на частички влаги и масла в турбулентной зоне мала и эффективность очистки падает. В таком случае, необходимо переходить на фильтр с меньшего типоразмера и, наоборот, при падении давления более 0,3 бар необходимо выбрать больший фильтр т.к. неоправданное увеличение потерь давления воздуха при его транспортировании от компрессора к потребителю значительно сказывается на стоимости использования сжатого воздуха.
Технические характеристики фильтра воздуха серии FU
| Рабочая среда | Воздух | |||||
| Конструкция | Циклонного типа | |||||
| Материалы | Алюминий, нейлон, поликарбонат, NBR | |||||
| Присоединение | G1/4”~G1” | |||||
| Крепление | Вертикальное крепление | |||||
| Максимальное входное давление | 10 Бар (16 Бар для …-M) | |||||
| Диапазон рабочего давления | 1.5 ~ 8.5 Бар (1.5 ~ 16 Бар для …-M) | |||||
| Тонкость фильтрации | 25 мкм | |||||
| Диапазон рабочих температур | -10~60 °С | |||||
| Слив конденсата | полуавтоматический и автоматический | |||||
| Модель | FU20 | FU40 | FU60 | |||
| Присоединительная резьба | G1/4” | G1/4” | G3/8” | G1/2” | G3/4” | G1” |
| Номинальный расход, Нл/мин | 1850 | 2050 | 2500 |
7900 |
8100 |
|
| Наличие защитного стакана | - |
+ |
+ |
+ |
+ |
+ |
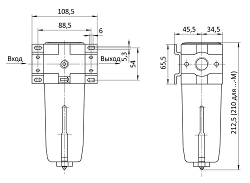
Габаритные и присоединительные размеры фильтра воздуха серии FU
SA-FU20-08

SA-FU40-08, SA-FU40-10, SA-FU40-15

- SA-FU60-20, SA-FU60-25


Купить или заказать "Фильтры воздуха серии SA-FU", а также узнать оптовые цены можно через форму заказа или по тел.: (067)579-75-35. Доставка по всем городам Украины ;
Еще не вступили в наш телеграм? Тогда ждем Вас

